工业级精密型:0-3米

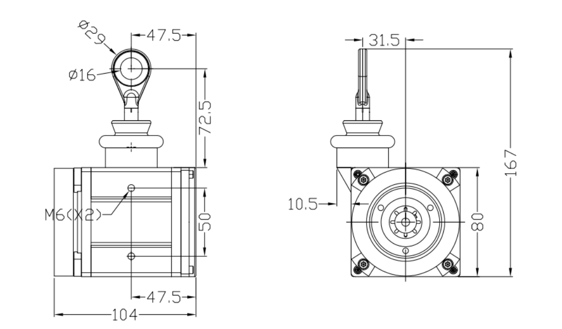
安装尺寸图:

技术参数
产品类型 | 拉线盒直线位移测量机构 |
描述 | 用于带 6 mm 轴的伺服法兰(同步法兰可选)拉线牵引机构,测量范围 0 m ... 3 m |
供货范围 | 不含编码器 |
测量范围 | 0 m ... 3 m |
重复精度 | ≤2mm 3) |
线性度 | ≤ ± 2 mm 3) |
滞后 | ≤ 2 mm 3) |
重量 | 1.5 kg (拉线盒测量机构) |
重量 (拉线绳) | 7.1 g/m |
拉线绳材料 | 高灵活性的 316 不锈钢拉绳 |
弹簧套材料 | 锌压铸件 |
拉线盒外壳材料 | 铝(阳极涂层处理),压铸锌 |
拉线绳每圈长度 | 200 mm |
拉线绳实际长度 | 3.1 m |
弹簧回弹力 | 6 N ... 14 N 1) |
拉线绳直径 | 1.2 mm |
拉线绳加速度 | 4.0 m/s |
调节速度 | 10 m/s |
分辨率 | 如需确定系统分辨率,使用如下公式: 每圈的线缆拉出长度 / 每圈步数 = 拉线 + 编码器组合的分辨率 |
工作环境温度 | –30 °C ... +70 °C |
拉线盒外壳防护等级 | IP64 |
拉线盒使用寿命 | Typ. 500,000 循环 2) 3) |
· 1) 该值在环境温度为 25 °C 时测得。温度变化时,该值或有偏差。.
· 2) 平均值取决于负载形式.
· 3) 使用寿命取决于负荷类型。影响因素包括:环境条件、安装情况、所使用的测量范围、移动速度以及加速度.