上海自横自动化科技有限公司
13916861294
HOT
热门关键词:
联系我们

电话:021-51099848

手机:13916861294

电邮:sh_jziheng@163.com

   410224966@qq.com

地址:上海市嘉定区南翔镇

   嘉好路1333号5楼01室

产品中心
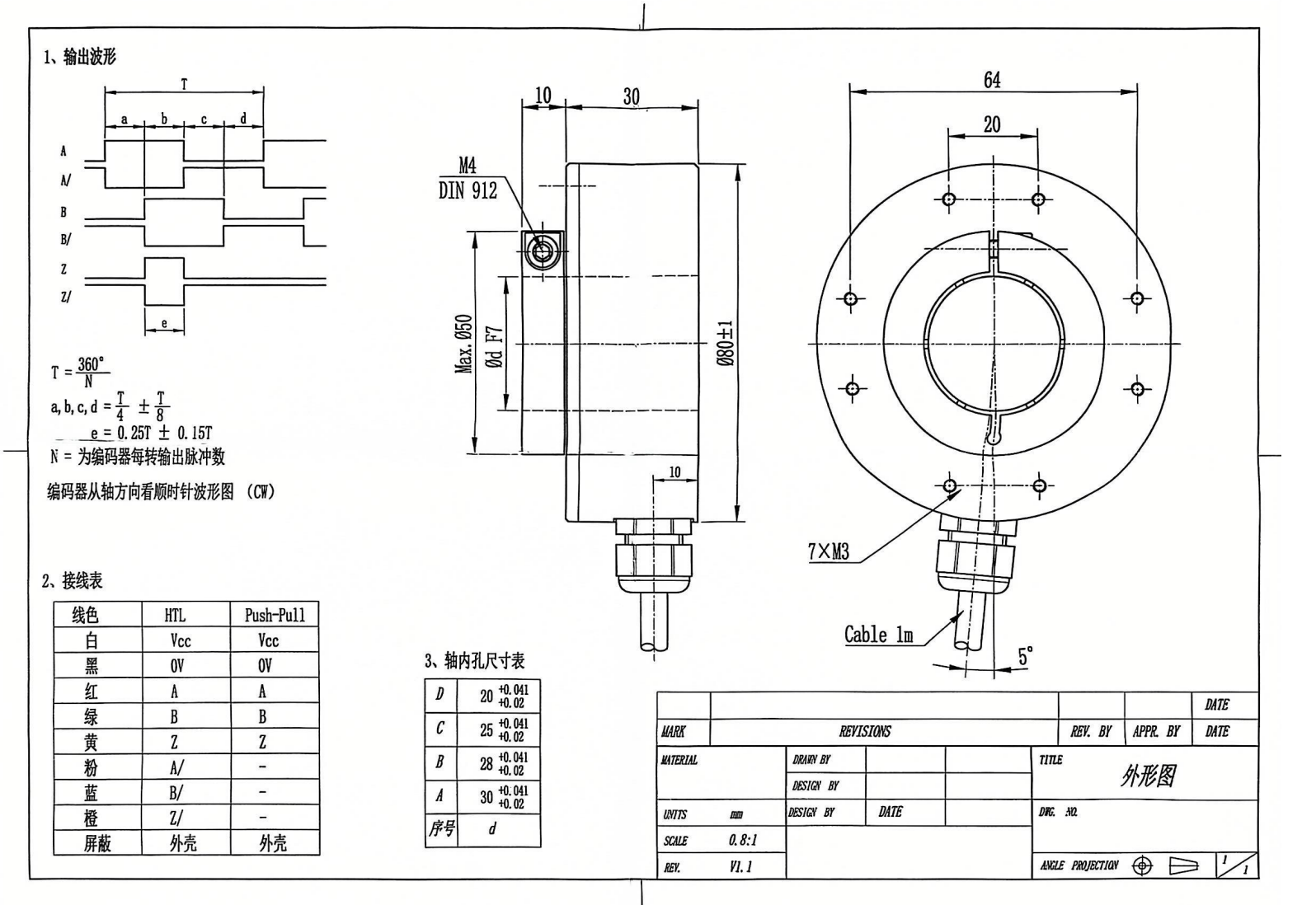
30mm孔径编码器
    发布时间: 2023-03-02 16:28    

通孔型编码器,孔径8mm—120mm不等

30mm孔径编码器