上海自横自动化科技有限公司
13916861294
HOT
热门关键词:
联系我们

电话:021-51099848

手机:13916861294

电邮:sh_jziheng@163.com

   410224966@qq.com

地址:上海市嘉定区南翔镇

   嘉好路1333号5楼01室

产品中心
经济型2米行程拉线盒
    发布时间: 2025-11-14 12:25    
经济型2米行程拉线盒

2米经济型拉线盒

 

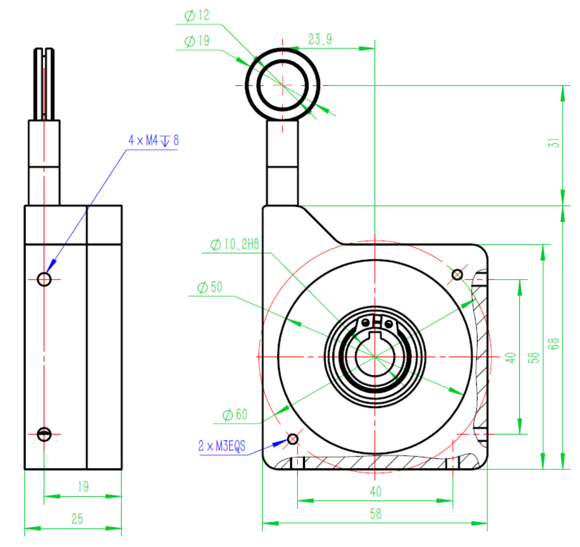
一般数据


法兰设计

盲孔


法兰直径

58mm


精度

±0.05%FSO


重复性

±0.02%FSO


最大测量长度

2.0m


拉线盒

加工金属#方型


拉线盒外壳的材料


线绳材质

包塑不锈钢钢丝绳

介绍

线绳直径

0.5mm

拉线盒与编码器组合在一起可以精确的测量直线位移。利用编码器的多种通讯接口可与您的控制器通讯。拉线盒均配用不锈钢材质的拉绳。可选顺逆时针运转方向。

线毂周长

150mm


线位移的最大速度

3.0m/s


最大拉出力

8.0N


最大角加速度

12.0g

机械数据

最小回缩力

4.0N

工作温度

-20°C to 80°C

线绳连接

金属环

重量

220g

孔的直径

6mm